Vòng Bi Bạc Đạn
BackGối Đỡ Vòng BI
BackVòng Bi Nhựa
BackPhụ Kiện Gia Công
BackDụng Cụ Cắt
BackPhụ Kiện Máy Mài
BackPhụ Kiện Máy Tiện
BackPhụ Kiện Gá Kẹp
BackPhụ Kiện Thiết Bị
BackBulong Thép Inox
BackBảo Hộ Lao Động
BackPhụ Kiện Nội Thất
BackThiết Bị Tự Động Hóa
BackThanh Ray Con Trượt Hiwin
BackThanh Ray Con Trượt IKO
BackThanh Ray Con Trượt PMI
BackThanh Ray Con Trượt NSK
BackThanh Ray Con Trượt THK
BackTrục Vít Me Đai Ốc
BackThanh Răng Bánh Răng
BackKhớp Nối Trục
BackHộp Số Động Cơ Servo
Back
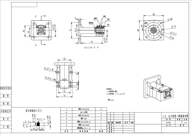
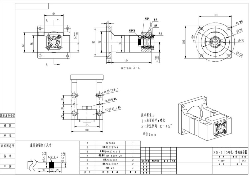
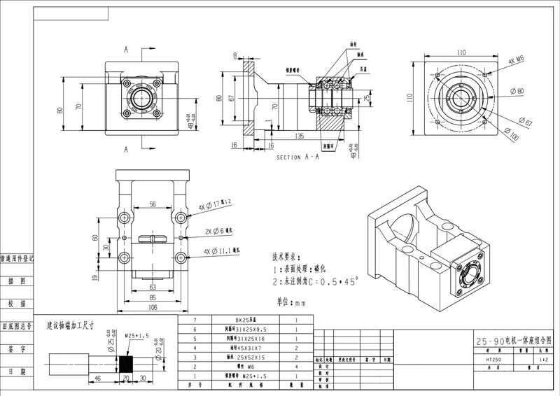
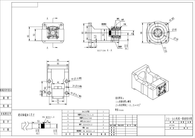
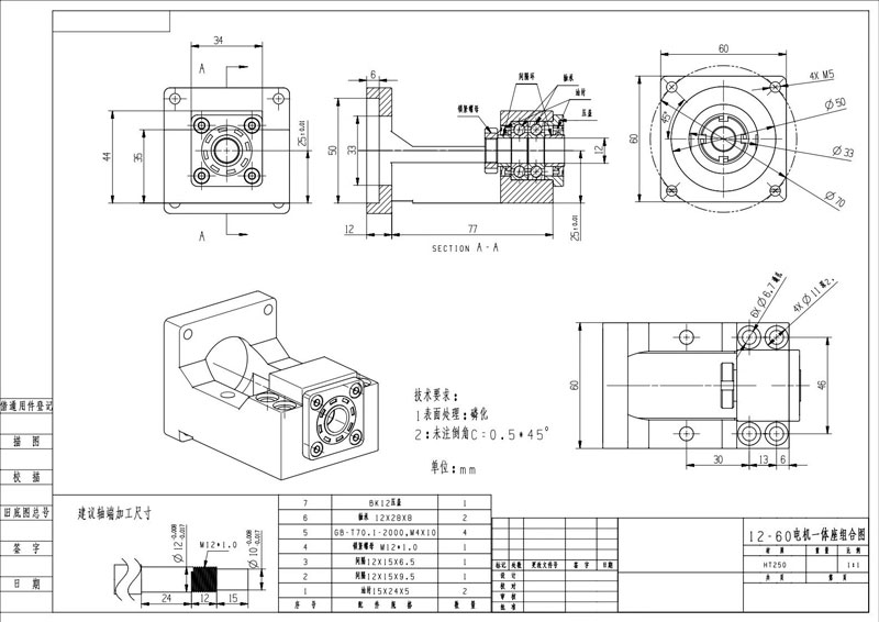
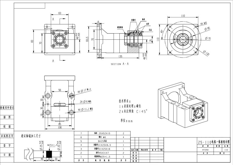
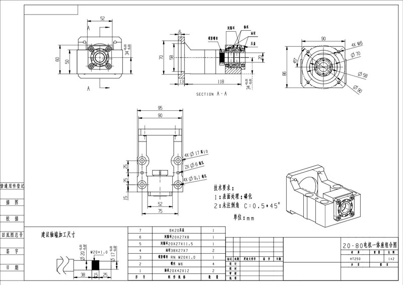
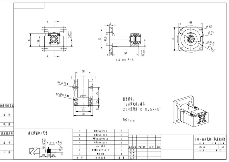
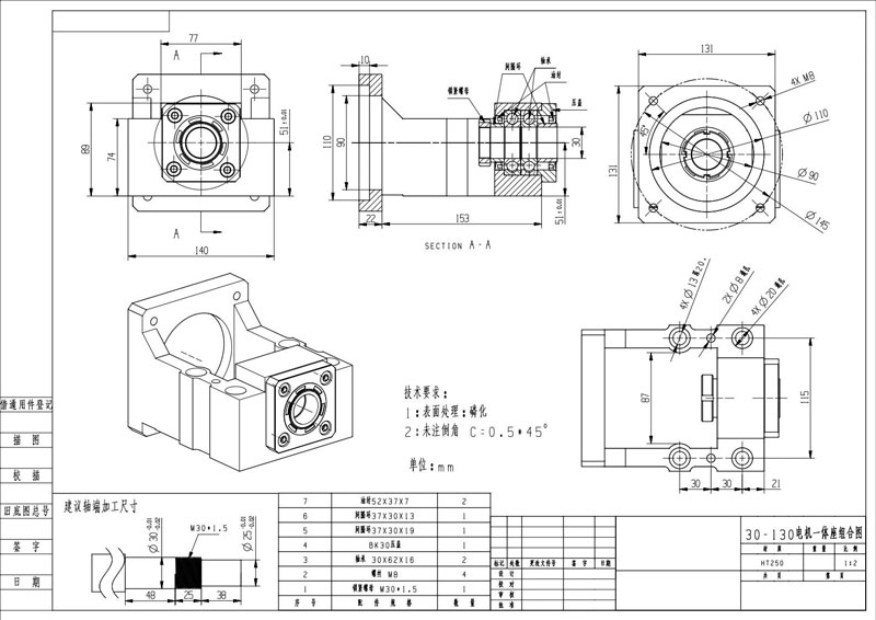
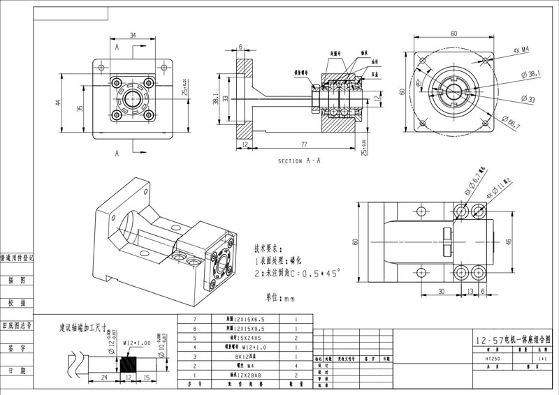
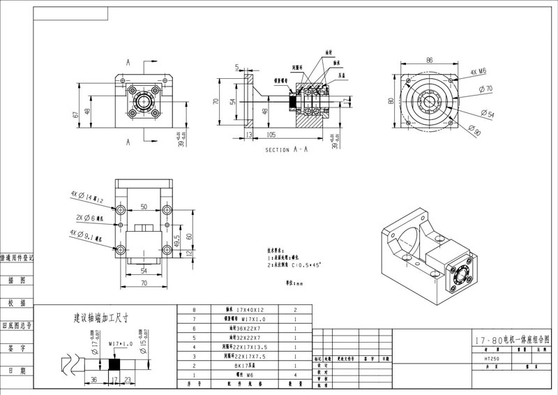
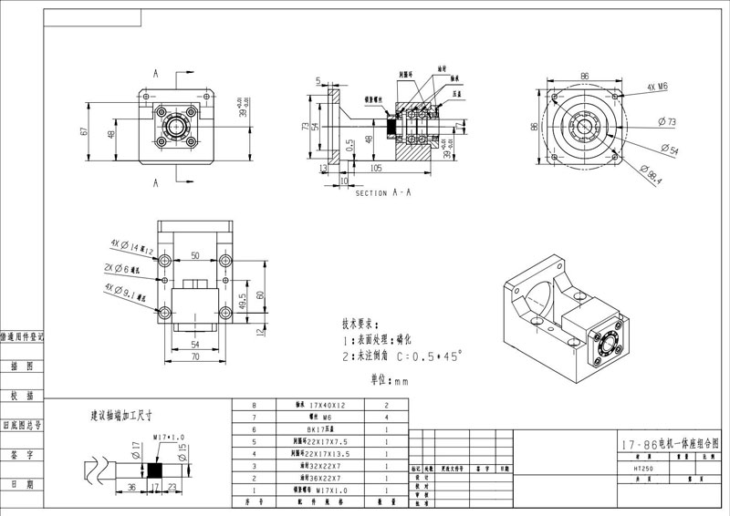
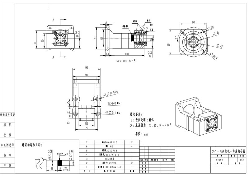
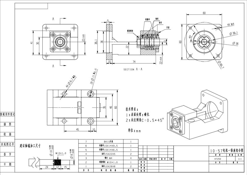
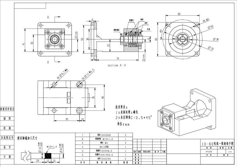
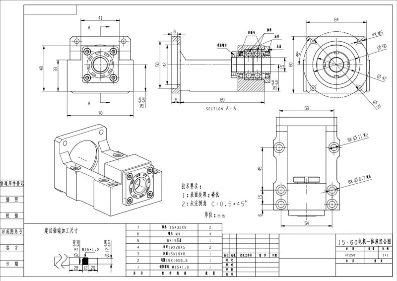
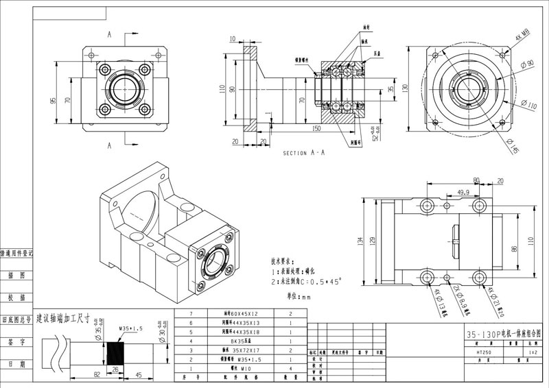
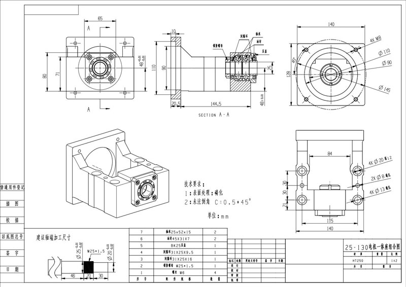
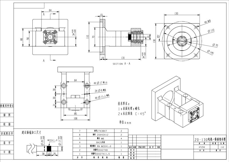
Thương Hiệu: Secvor
Model: HM57/60/80
Chất Liệu: Gang
Xuất Xứ: China
Bảo Hành: 6 Tháng



















