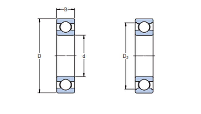
Thông Số vòng bi bạc đạn cầu SKF 62212-2RS

| Mã |
d |
D |
B |
| 62212-2RS |
60mm |
110mm |
28mm |
Vòng bi bạc đạn cầu SKF 62212-2RS
Là loại vòng bi thông dụng nhất, bởi khả năng đáp ứng nhiều ứng dụng truyền động, đơn giản, dễ dàng tháo lắp, Vòng Bi Cầu có thể làm việc ở tốc độ cao, chịu tải trọng hướng kính rất tốt. Chịu độ tải trọng dọc trục ở mức độ thấp. Vòng bi cầu thường được bôi trơn sẵn và làm kín bằng phớt ở 2 mặt, cho phép đưa vào sử dụng nhanh, an toàn. Vòng bi cầu dễ bị tổn hại (giảm tuổi thọ làm việc), nếu bị lắp lệch tâm, hoặc bị chịu tải trọng dọc trục ngoài ý muốn.
Mua vòng bi bạc đạn cầu SKF 62212-2RS ở đâu?
Nên tìm các địa chỉ uy tín để mua sản phẩm vòng bi, vì nguồn gốc sản xuất cũng như tiêu chuẩn chất lượng cần được tuân thủ theo các tiêu chuẩn đặt ra như tiêu chuẩn ISO, BS, JIS… (ĐỌC THÊM: Những tiêu chuẩn quốc tế cho sản các sản phẩm vòng bi chất lượng). Các thương hiệu vòng bi đũa được ưa chuộng như: NTN, NSK, KOYO, NACHI, SKF, IKO... được nhiều người dùng ưa chuộng.
Tại Hà Nội hãy đến với http://saoviet-ltd.com/vong-bi-bac-dan.html bạn sẽ dễ dàng tìm mua được vòng bi công nghiệp chính hãng với giấy chứng nhận xuất xứ rõ ràng, cũng như sự tư vấn để chọn lựa được sản phẩm phù hợp nhất.
SAO VIỆT - Chuyên cung cấp các loại vong bi / gối đỡ NTN, NSK, KOYO, NACHI, SKF, IKO... chính hãng , uy tin chất lượng giá cả cạnh tranh
- Cảm ơn sự quan tâm của quý khách , rất mong được phục vụ quý khách hang
-HOTLINE : 0962116853 / 0947987668
Thông Số vòng bi bạc đạn cầu SKF 62212-2RS
Vòng bi bạc đạn cầu SKF 62212-2RS
Là loại vòng bi thông dụng nhất, bởi khả năng đáp ứng nhiều ứng dụng truyền động, đơn giản, dễ dàng tháo lắp, Vòng Bi Cầu có thể làm việc ở tốc độ cao, chịu tải trọng hướng kính rất tốt. Chịu độ tải trọng dọc trục ở mức độ thấp. Vòng bi cầu thường được bôi trơn sẵn và làm kín bằng phớt ở 2 mặt, cho phép đưa vào sử dụng nhanh, an toàn. Vòng bi cầu dễ bị tổn hại (giảm tuổi thọ làm việc), nếu bị lắp lệch tâm, hoặc bị chịu tải trọng dọc trục ngoài ý muốn.
Mua vòng bi bạc đạn cầu SKF 62212-2RS ở đâu?
Nên tìm các địa chỉ uy tín để mua sản phẩm vòng bi, vì nguồn gốc sản xuất cũng như tiêu chuẩn chất lượng cần được tuân thủ theo các tiêu chuẩn đặt ra như tiêu chuẩn ISO, BS, JIS… (ĐỌC THÊM: Những tiêu chuẩn quốc tế cho sản các sản phẩm vòng bi chất lượng). Các thương hiệu vòng bi đũa được ưa chuộng như: NTN, NSK, KOYO, NACHI, SKF, IKO... được nhiều người dùng ưa chuộng.
Tại Hà Nội hãy đến với http://saoviet-ltd.com/vong-bi-bac-dan.html bạn sẽ dễ dàng tìm mua được vòng bi công nghiệp chính hãng với giấy chứng nhận xuất xứ rõ ràng, cũng như sự tư vấn để chọn lựa được sản phẩm phù hợp nhất.
- Cảm ơn sự quan tâm của quý khách , rất mong được phục vụ quý khách hang
-HOTLINE : 0962116853 / 0947987668