

GỐI ĐỠ ASAHI
Công Ty Asahi Seiko bằt đầu đi vào hoạt động sản xuất vào tháng 5 năm 1928 với sản phẩm là vòng bi với nhiều chủng loại khác nhau. Kể từ đó ,Asahi phấn đấu thành một nhà sản xuất bạc đạn ,phụ tùng,máy móc cơ khí hàng đầu trên thế giới. Dòng vòng bi gối đở Asahi là một sản phẩm thành công trong chuổi sản phẩm của Asahi ,và được đánh giá là nhà sản xuất gối đở hàng đầu thế giới về chủng loại cũng như về doanh số.Gối đỡ Asahi là dòng gối được các nhà sản xuất máy, bằng chuyền, băng tải đánh giá là gối đở tốt hiện nay..
Một số dòng sản phẩm đặc trưng như : UCP, UCPA, UCF, UCFL, UCT, UK, UFL…
Vòng bi gối đở Asahi được thiết kế theo tiêu chuẩn quốc tế,với chất lượng vượt trội so với các dòng gối đỡ khác.Cho nên dòng sản phẩm vòng bi gối đở Asahi hoàn toàn có thể thay thế các dòng sản phẩm của SKF, NSK,NTN,FYH...

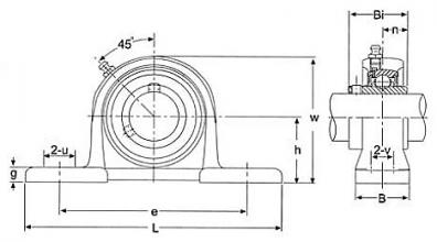
ĐẶC ĐIỂM GỐI ĐỠ ASAHI UCP
Gối đỡ ASAHI UCP sử dụng vòng bi bên trong là UC thuộc dạng bi cầu 1 dãy bi. Bạc đạn này tương tự dòng bi 62xx và 63xx, có thể chịu tải hướng kính và một lượng tương đối tải hướng trục. Nhờ vành ngoài có dạng hình cầu bạc đạn UC có khả năng tự lựa. Điều này giúp vòng bi ASAHI UCP thích ứng được với việc bị lệch trục hay chân đế xê dịch khi vận hành. ổ bi UC có 2 phớt chắn làm bằng thép và cao su kết hợp đem lại hiệu quả làm kín tốt nhất. Nhờ vậy vòng bi giữ được lượng mỡ bò giúp gối đỡ ASAHI UCP có thể hoạt động trong môi trường ẩm ướt, có bụi bẩn. Vòng bi UC được tra sẵn mỡ bò chất lượng cao nên có thể vận hành ngay lập tức sau khi lắp, ngoài ra trên vỏ gối còn có gắn ốc mỡ để dễ cấp thêm chất bôi trơn. Việc cố định trục được thực hiện bằng cách bắt vít lên lỗ vít ở vòng trong bạc đạn UC.
SAO VIỆT - chuyên cung cấp các loại vong bi / gối đỡ chính hãng , uy tin chất lượng giá cả cạnh tranh
- cảm ơn sự quan tâm của quý khách , rất mong được phục vụ quý khách hàng
GỐI ĐỠ ASAHI
Công Ty Asahi Seiko bằt đầu đi vào hoạt động sản xuất vào tháng 5 năm 1928 với sản phẩm là vòng bi với nhiều chủng loại khác nhau. Kể từ đó ,Asahi phấn đấu thành một nhà sản xuất bạc đạn ,phụ tùng,máy móc cơ khí hàng đầu trên thế giới. Dòng vòng bi gối đở Asahi là một sản phẩm thành công trong chuổi sản phẩm của Asahi ,và được đánh giá là nhà sản xuất gối đở hàng đầu thế giới về chủng loại cũng như về doanh số.Gối đỡ Asahi là dòng gối được các nhà sản xuất máy, bằng chuyền, băng tải đánh giá là gối đở tốt hiện nay..
Một số dòng sản phẩm đặc trưng như : UCP, UCPA, UCF, UCFL, UCT, UK, UFL…
Vòng bi gối đở Asahi được thiết kế theo tiêu chuẩn quốc tế,với chất lượng vượt trội so với các dòng gối đỡ khác.Cho nên dòng sản phẩm vòng bi gối đở Asahi hoàn toàn có thể thay thế các dòng sản phẩm của SKF, NSK,NTN,FYH...
ĐẶC ĐIỂM GỐI ĐỠ ASAHI UCP
Gối đỡ ASAHI UCP sử dụng vòng bi bên trong là UC thuộc dạng bi cầu 1 dãy bi. Bạc đạn này tương tự dòng bi 62xx và 63xx, có thể chịu tải hướng kính và một lượng tương đối tải hướng trục. Nhờ vành ngoài có dạng hình cầu bạc đạn UC có khả năng tự lựa. Điều này giúp vòng bi ASAHI UCP thích ứng được với việc bị lệch trục hay chân đế xê dịch khi vận hành. ổ bi UC có 2 phớt chắn làm bằng thép và cao su kết hợp đem lại hiệu quả làm kín tốt nhất. Nhờ vậy vòng bi giữ được lượng mỡ bò giúp gối đỡ ASAHI UCP có thể hoạt động trong môi trường ẩm ướt, có bụi bẩn. Vòng bi UC được tra sẵn mỡ bò chất lượng cao nên có thể vận hành ngay lập tức sau khi lắp, ngoài ra trên vỏ gối còn có gắn ốc mỡ để dễ cấp thêm chất bôi trơn. Việc cố định trục được thực hiện bằng cách bắt vít lên lỗ vít ở vòng trong bạc đạn UC.
SAO VIỆT - chuyên cung cấp các loại vong bi / gối đỡ chính hãng , uy tin chất lượng giá cả cạnh tranh
- cảm ơn sự quan tâm của quý khách , rất mong được phục vụ quý khách hàng