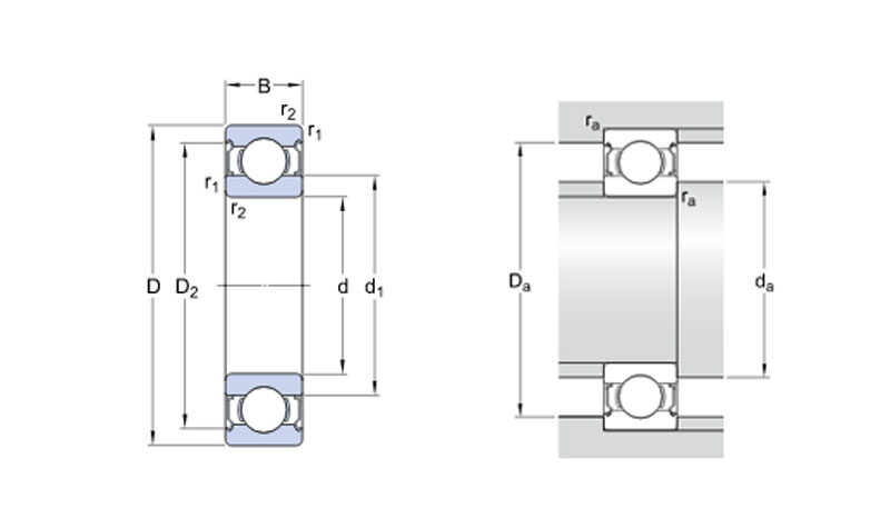
Thông Số vòng bi bạc đạn cầu SKF 62209-2RS

| Mã |
d |
D |
B |
| 62209-2RS |
45mm |
85mm |
23mm |
Vòng bi bạc đạn cầu SKF 62209-2RS
Là loại vòng bi thông dụng nhất, bởi khả năng đáp ứng nhiều ứng dụng truyền động, đơn giản, dễ dàng tháo lắp, Vòng Bi Cầu có thể làm việc ở tốc độ cao, chịu tải trọng hướng kính rất tốt. Chịu độ tải trọng dọc trục ở mức độ thấp. Vòng bi cầu thường được bôi trơn sẵn và làm kín bằng phớt ở 2 mặt, cho phép đưa vào sử dụng nhanh, an toàn. Vòng bi cầu dễ bị tổn hại (giảm tuổi thọ làm việc), nếu bị lắp lệch tâm, hoặc bị chịu tải trọng dọc trục ngoài ý muốn.
Đặc điểm nội bật vòng bi bạc đạn SKF 62209-2RS
Vòng bi cầu SKF chính hãng đang được đông đảo quý khách hàng ưa chuộng sử dụng bởi những tính năng vượt trội trong chất lượng giúp máy móc hoạt động ổn định và lâu bền hơn. với Một số có đặc điểm chính vòng bi sao việt có thể kể tới như:
-Độ chính xác được nâng cao. Máy móc hoạt động được là nhờ vào sự kết nối của rất nhiều những bộ phận khác nhau và bởi vậy sẽ không thể tốt nếu một bộ phận nào đó thiếu đi sự chuẩn xác.
-Ở vòng bi cầu hãng SKF được sản xuất tuân thủ các tiêu chuẩn ISO với độ chính xác làm việc ở cấp 5 bao gồm các thông số về độ dày và kích thước của bi những tiêu chuẩn của nền công nghiệp chế tạo vòng bi thế hệ mới. Việc cải tiến trên vòng bi này sẽ giúp tăng hiệu suất công việc (vòng bi hoạt động với tốc độ cao) những vẫn đảm bảo êm hơn có tuổi thọ cao hơn.
-Vận tốc giới hạn ở vòng bi cầu SKF Explorer được nâng lên cao hơn so với các thế hệ vòng bi SKF trước đây bởi vậy ở cùng tốc độ nhưng nhiệt độ của vòng bi SKF Explorer thấp hơn rất nhiều. Tính năng này làm giảm nhu cầu sử dụng mỡ bôi trơn SKF và giảm tiêu hao năng lượng trên vòng bi.
Như đã nêu ở phần bên trên vòng bi SKF Explorer nổi trội hơn trong cả thiết kế và chất lượng. Loại vòng bi này được cung cấp sở hữu phớt chắn dầu hoặc nắp che bụi và bởi vậy thông thường tuổi thọ của vòng bi là rất lớn.
Sự khác biệt của vòng bi cầu SKF 62209-2RS và các loại vòng bi khác?
Cấu tạo hình thù con lăn và đặc tính chịu tải của vòng bi cầu so với vòng bi con lăn (vòng bi tang trống, vòng bi côn, vòng bi đũa)

Mua vòng bi bạc đạn cầu SKF 62209-2RS ở đâu?
Nên tìm các địa chỉ uy tín để mua sản phẩm vòng bi, vì nguồn gốc sản xuất cũng như tiêu chuẩn chất lượng cần được tuân thủ theo các tiêu chuẩn đặt ra như tiêu chuẩn ISO, BS, JIS… (ĐỌC THÊM: Những tiêu chuẩn quốc tế cho sản các sản phẩm vòng bi chất lượng). Các thương hiệu vòng bi đũa được ưa chuộng như: NTN, NSK, KOYO, NACHI, SKF, IKO... được nhiều người dùng ưa chuộng.
Tại Hà Nội hãy đến với http://saoviet-ltd.com/vong-bi-bac-dan.html bạn sẽ dễ dàng tìm mua được vòng bi công nghiệp chính hãng với giấy chứng nhận xuất xứ rõ ràng, cũng như sự tư vấn để chọn lựa được sản phẩm phù hợp nhất.
SAO VIỆT - Chuyên cung cấp các loại vong bi / gối đỡ NTN, NSK, KOYO, NACHI, SKF, IKO... chính hãng , uy tin chất lượng giá cả cạnh tranh
- Cảm ơn sự quan tâm của quý khách , rất mong được phục vụ quý khách hang
-HOTLINE : 0962116853 / 0947987668
Thông Số vòng bi bạc đạn cầu SKF 62209-2RS
Vòng bi bạc đạn cầu SKF 62209-2RS
Là loại vòng bi thông dụng nhất, bởi khả năng đáp ứng nhiều ứng dụng truyền động, đơn giản, dễ dàng tháo lắp, Vòng Bi Cầu có thể làm việc ở tốc độ cao, chịu tải trọng hướng kính rất tốt. Chịu độ tải trọng dọc trục ở mức độ thấp. Vòng bi cầu thường được bôi trơn sẵn và làm kín bằng phớt ở 2 mặt, cho phép đưa vào sử dụng nhanh, an toàn. Vòng bi cầu dễ bị tổn hại (giảm tuổi thọ làm việc), nếu bị lắp lệch tâm, hoặc bị chịu tải trọng dọc trục ngoài ý muốn.
Đặc điểm nội bật vòng bi bạc đạn SKF 62209-2RS
Vòng bi cầu SKF chính hãng đang được đông đảo quý khách hàng ưa chuộng sử dụng bởi những tính năng vượt trội trong chất lượng giúp máy móc hoạt động ổn định và lâu bền hơn. với Một số có đặc điểm chính vòng bi sao việt có thể kể tới như:-Độ chính xác được nâng cao. Máy móc hoạt động được là nhờ vào sự kết nối của rất nhiều những bộ phận khác nhau và bởi vậy sẽ không thể tốt nếu một bộ phận nào đó thiếu đi sự chuẩn xác.
-Ở vòng bi cầu hãng SKF được sản xuất tuân thủ các tiêu chuẩn ISO với độ chính xác làm việc ở cấp 5 bao gồm các thông số về độ dày và kích thước của bi những tiêu chuẩn của nền công nghiệp chế tạo vòng bi thế hệ mới. Việc cải tiến trên vòng bi này sẽ giúp tăng hiệu suất công việc (vòng bi hoạt động với tốc độ cao) những vẫn đảm bảo êm hơn có tuổi thọ cao hơn.
-Vận tốc giới hạn ở vòng bi cầu SKF Explorer được nâng lên cao hơn so với các thế hệ vòng bi SKF trước đây bởi vậy ở cùng tốc độ nhưng nhiệt độ của vòng bi SKF Explorer thấp hơn rất nhiều. Tính năng này làm giảm nhu cầu sử dụng mỡ bôi trơn SKF và giảm tiêu hao năng lượng trên vòng bi.
Như đã nêu ở phần bên trên vòng bi SKF Explorer nổi trội hơn trong cả thiết kế và chất lượng. Loại vòng bi này được cung cấp sở hữu phớt chắn dầu hoặc nắp che bụi và bởi vậy thông thường tuổi thọ của vòng bi là rất lớn.
Sự khác biệt của vòng bi cầu SKF 62209-2RS và các loại vòng bi khác?
Cấu tạo hình thù con lăn và đặc tính chịu tải của vòng bi cầu so với vòng bi con lăn (vòng bi tang trống, vòng bi côn, vòng bi đũa)

Mua vòng bi bạc đạn cầu SKF 62209-2RS ở đâu?
Nên tìm các địa chỉ uy tín để mua sản phẩm vòng bi, vì nguồn gốc sản xuất cũng như tiêu chuẩn chất lượng cần được tuân thủ theo các tiêu chuẩn đặt ra như tiêu chuẩn ISO, BS, JIS… (ĐỌC THÊM: Những tiêu chuẩn quốc tế cho sản các sản phẩm vòng bi chất lượng). Các thương hiệu vòng bi đũa được ưa chuộng như: NTN, NSK, KOYO, NACHI, SKF, IKO... được nhiều người dùng ưa chuộng.
Tại Hà Nội hãy đến với http://saoviet-ltd.com/vong-bi-bac-dan.html bạn sẽ dễ dàng tìm mua được vòng bi công nghiệp chính hãng với giấy chứng nhận xuất xứ rõ ràng, cũng như sự tư vấn để chọn lựa được sản phẩm phù hợp nhất.
- Cảm ơn sự quan tâm của quý khách , rất mong được phục vụ quý khách hang
-HOTLINE : 0962116853 / 0947987668