Một số công dụng:
- Dùng để làm mịn, tạo mặt phẳng cho các vật liệu sắt, gang, thép,..
- Làm sạch bề mặt, tạo độ phẳng giúp quá trình đánh bóng, sơn, phủ vecni dễ dàng, có tính thẩm mĩ cao hơn.
- Sử dụng đa năng vừa là đá mài mịn vừa là đá mài thô khác, tùy thuộc vào dạng hạt mài và độ phân bố hạt mài của từng loại.


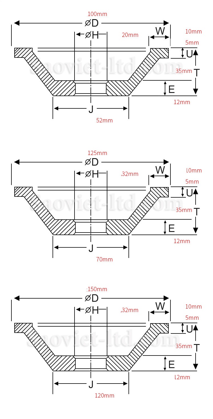
Thông số và kích thước đá mài
1 Làm thế nào để chọn đá hợp kim CBN mài phù hợp ?
Kích thước hạt mài dựa trên kích thước dao và yêu cầu xử lý của bạn. Để mài thô sử dụng độ nhám như sau:
Mài thô : độ nhám #100-150 #,
Mài trung bình : độ nhám #200 ~ 300 #,
Mài tinh : độ nhám 400 ~ 600 #,
Mài siêu tinh : độ nhám #800 ~ 1000 #.
2. Các Loại vật liệu đá mài hợp kim dạng bát CBN có thể mài?
Nó có thể được sử dụng để mài và định hình các công cụ bằng thép vonfram. Bánh mài kim cương có thể duy trì hiệu suất ổn định về độ chính xác, độ mài và tuổi thọ và có thể được áp dụng để gia công nhiều vật liệu khác nhau. Nó có thể được áp dụng không chỉ cho các công cụ mài mòn, mà còn cho các công cụ chống mài mòn khác nhau

3. Sự khác biệt đá mài hợp kim CBN mạ điện và hợp kim CBN Phối trộn
Các công cụ kim cương mạ điện sử dụng coban niken mạ điện và các hợp kim khác để cố định kim cương trên đế. Công cụ kim cương nhựa là một công cụ sử dụng phương pháp ép nóng hoặc ép lạnh để ép khuôn và hóa rắn hỗn hợp kim cương và nhựa . Sự khác biệt chính giữa hai loại này là các dụng cụ kim cương được sản xuất bằng phương pháp mạ điện có nồng độ cao, chống mài mòn và tuổi thọ cao. Chúng chủ yếu được sử dụng để tạo và mài thép vonfram, và góc được duy trì tốt. Công cụ kim cương nhựa: công cụ kim cương có nồng độ thấp, không chịu mài mòn, có tuổi thọ ngắn, nhưng có hiệu quả mài cao và chủ yếu được sử dụng để mài bề mặt cacbua xi măng.
4. Chất lượng của đá mài
Sản phẩm này được sản xuất bởi nhà máy gốc Đài Loan. Quá trình mạ điện tiên tiến, các hạt cát đồng đều, các hạt kim cương nguyên chất được sử dụng và khả năng chống mài mòn cao.
CÔNG TY TNHH SAO VIỆT
tự hào là nhà cung cấp với hơn 10 năm lịch sử Với phương châm "chất lượng, hiểu quả, và uy tín đói với KHÁCH HÀNG LÀ TRÊN HẾT" Đi đôi với việc chú trọng đến chất lượng và giá thành sản phẩm, chúng tôi còn tổ chức một quy trình chăm sóc khách hàng chu đáo .Từ khâu xử lý yêu cầu của khách hàng cho đến giai đoạn lắp đặt, chạy thử, hướng dẫn sử dụng, bảo hành và dịch vụ sau bán hàng nhằm đáp ứng kịp thời các nhu cầu của khách hàng: Giá cả cạnh tranh, chất lượng tiêu chuẩn, thanh toán linh hoạt cũng như chăm sóc khách hàng tận tình.
Các công cụ mài và cắt của chúng tôi hiện sản phẩm chính hãng được phân phối trực tiếp tại công ty http://saoviet-ltd.com/ là nhà cung cấp sản phẩm trải rộng từ các loại thấp cấp, cho các ứng dụng cao cấp để đáp ứng bất kỳ yêu cầu nào của khách hàng về mài và cắt .Các sản phẩm dụng cụ của chúng tôi cho các ngành công nghiệp cao cấp đã cải thiện thành công không chỉ độ bền và độ chính xác khi sử dụng mà còn làm giảm đáng kể sự lãng phí các nguồn lực toàn cầu.
Tham khảo thêm:
ĐÁ MÀI HỢP KIM CAO CẤP
Chén mài hợp kim được sản xuất trên công nghệ hiện đại, dây chuyền khép kín tại ĐÀI LOAN, quá trình chọn lọc cốt liệu bao gồm hạt mài và chất kết dính rất khắt khe. Với kinh nghiệm nhiều năm trong nghành chúng tôi khẳng định đây là dòng sản phẩm có chất lượng tốt nhất tại thị trường Việt Nam.
CÔNG DỤNG
- Đây là loại đá mài sắt có khả năng làm mịn, tẩy vết trầy xước, tạo mặt phẳng rất hiệu quả.
- Dễ dàng thao tác bằng các loại máy mài với công suất khác nhau. Có thể chịu được vòng quay rất lớn.
- Trong quá trình mài, sản phẩm thường tạo ra lượng phôi sắt, thép,... lớn. Vì thế khách hàng cần chuẩn bị khẩu trang, kính mắt để tránh bị phôi mài bay vào mắt, mũi, ảnh hưởng đến tầm nhìn và hệ hô hấp.
Một số công dụng:
- Dùng để làm mịn, tạo mặt phẳng cho các vật liệu sắt, gang, thép,..
- Làm sạch bề mặt, tạo độ phẳng giúp quá trình đánh bóng, sơn, phủ vecni dễ dàng, có tính thẩm mĩ cao hơn.
- Sử dụng đa năng vừa là đá mài mịn vừa là đá mài thô khác, tùy thuộc vào dạng hạt mài và độ phân bố hạt mài của từng loại.
1 Làm thế nào để chọn đá hợp kim CBN mài phù hợp ?
Kích thước hạt mài dựa trên kích thước dao và yêu cầu xử lý của bạn. Để mài thô sử dụng độ nhám như sau:
2. Các Loại vật liệu đá mài hợp kim dạng bát CBN có thể mài?
Nó có thể được sử dụng để mài và định hình các công cụ bằng thép vonfram. Bánh mài kim cương có thể duy trì hiệu suất ổn định về độ chính xác, độ mài và tuổi thọ và có thể được áp dụng để gia công nhiều vật liệu khác nhau. Nó có thể được áp dụng không chỉ cho các công cụ mài mòn, mà còn cho các công cụ chống mài mòn khác nhau
3. Sự khác biệt đá mài hợp kim CBN mạ điện và hợp kim CBN Phối trộn
4. Chất lượng của đá mài
Sản phẩm này được sản xuất bởi nhà máy gốc Đài Loan. Quá trình mạ điện tiên tiến, các hạt cát đồng đều, các hạt kim cương nguyên chất được sử dụng và khả năng chống mài mòn cao.
CÔNG TY TNHH SAO VIỆT
tự hào là nhà cung cấp với hơn 10 năm lịch sử Với phương châm "chất lượng, hiểu quả, và uy tín đói với KHÁCH HÀNG LÀ TRÊN HẾT" Đi đôi với việc chú trọng đến chất lượng và giá thành sản phẩm, chúng tôi còn tổ chức một quy trình chăm sóc khách hàng chu đáo .Từ khâu xử lý yêu cầu của khách hàng cho đến giai đoạn lắp đặt, chạy thử, hướng dẫn sử dụng, bảo hành và dịch vụ sau bán hàng nhằm đáp ứng kịp thời các nhu cầu của khách hàng: Giá cả cạnh tranh, chất lượng tiêu chuẩn, thanh toán linh hoạt cũng như chăm sóc khách hàng tận tình.
Các công cụ mài và cắt của chúng tôi hiện sản phẩm chính hãng được phân phối trực tiếp tại công ty http://saoviet-ltd.com/ là nhà cung cấp sản phẩm trải rộng từ các loại thấp cấp, cho các ứng dụng cao cấp để đáp ứng bất kỳ yêu cầu nào của khách hàng về mài và cắt .Các sản phẩm dụng cụ của chúng tôi cho các ngành công nghiệp cao cấp đã cải thiện thành công không chỉ độ bền và độ chính xác khi sử dụng mà còn làm giảm đáng kể sự lãng phí các nguồn lực toàn cầu.